MT 495-1995 刮板輸送機用緊鏈器
- 發表時間:2022-08-28
 - 來源:共立消防
 - 人氣:
 
1 主題內容與適用范圍
本標準規定了刮板輸送機用緊鏈器的型式與參數、技術要求、試驗方法與檢驗規則、標志、包裝、運 輸和儲存。
本標準適用于刮板輸送機、轉載機、刨煤機用緊鏈器(以下稱緊鏈器)。
2 引用標準
GB 191 包裝儲運圖示標志
GB 1239.2 冷卷圓柱螺旋壓縮彈簧技術條件
GB 2828 逐批檢查計數抽樣及抽樣表(適用于連接批的檢查)
GB 5676 一般工程用鑄造碳鋼
GB 5763 汽車用制動器襯片
建標48石棉剎車帶
3 產品型式與參數
3.1 產品型式:
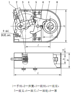
緊鏈器分為三種型式即閘盤式緊鏈器、閘帶式緊鏈器和棘輪式緊鏈器,見圖1、圖2、圖3。
 
圖1 閘盤緊鏈器
 
圖2 閘帶緊鏈器
 
圖3 棘輪緊鏈器
3.2 性能和尺寸參數見表1、表2、表3。
表1 閘盤緊鏈器
配單速電動機  | 配雙速電動機  | 閘塊尺寸  | 聯接尺寸  | 適用電機 功率kW  | |||||
閘緊轉矩N - m  | 閘盤直徑 D  | 閘緊轉矩N - m  | 閘盤直徑 D  | B  | R  | r  | L±0. 5  | b  | |
1200  | 400  | —  | —  | 126  | 195  | 150  | 180 (218)  | 109  | 90、110、 132160  | 
1450  | 480  | 1450  | 400  | 90、110、132、 160200  | |||||
1600  | 520  | 1500  | 495  | ||||||
1900  | 630  | 1900  | 625  | 132、160、 200250  | |||||
4600  | 4600  | 200  | 310  | 240  | 295  | 58  | 200、250、315、 375425500  | ||
注:①在適用電機功率范圍內盡量選取小直徑閘盤。
②帶括號的尺寸盡量不選用。
表2 閘帶緊鏈器
閘緊 轉矩 N - m  | 制動輪尺寸  | 外形尺寸  | 與減速器二軸端聯接尺寸  | 適用電 機功率 kW  | ||||||||
D  | d H10  | h d11  | b ±0.0215  | 鍵數  | H 最大  | L 最大  | D1  | d1  | d2  | B  | ||
1200  | 190  | 50  | 71  | 16  | 單  | 126  | 315  | 150  | 14  | 36  | 45。  | 11、15、 2230  | 
164  | 10  | 40  | 40°  | 4055  | ||||||||
1700  | 280  | 70  | 81  | 18  | 雙  | 126  | 375  | 216  | 10  | 40  | 45。  | 75  | 
表3 棘輪緊鏈器
間緊 轉矩 N - m  | 棘輪尺寸  | 聯接尺寸  | 外形尺寸  | 適用電 機功率  | ||||||||||
D  | d H8  | h  | b ±0.0215  | 鍵數  | D1  | d1  | d2  | l  | B  | L  | H  | B  | ||
最大  | ||||||||||||||
350  | 100  | 45  | 62  | 14  | 單  | 144  | 14  | 26  | 147  | 45。  | 315  | 215  | 80  | 1115 2230  | 
100  | 55  | 62  | 16  | 雙  | 170  | 14  | 26  | 172  | 450  | 330  | 245  | 105  | ||
4 技術要求
4.1 緊鏈器應符合本標準的要求,并按照經規定程序批準的圖樣和技術文件制造。
4.2 材料:
4.2.1 緊鏈器所使用的材料及外購件應符合國家、行業標準的有關規定,并必須具備合格證或足以證明其合格的文件。
4.2.2 鉗臂用抗拉強度不低于600 N/mm2的材料,也允許用GB 5676中的ZG 270-500或ZG 310-570鑄鋼,不得用鑄鐵件代替。
4.2.3 棘輪、插爪、鉸軸及拉桿應采用抗拉強度不低于600 N/mm2的材料制造。
4.2.4 制動彈簧用機械性能不低于碳素彈簧鋼絲B的材料制造。
以上為標準部分內容,如需看標準全文,請到相關授權網站購買標準正版。
-  
 IG541混合氣體滅火系統
              IG541混合氣體滅火系統:IG-541滅火系統采用的IG-541混合氣體滅火劑是由大氣層中的氮氣(N2)、氬氣(Ar)和二氧化碳(CO2)三種氣體分別以52%、40%、8%的比例混合而成的一種滅火劑 -  
 二氧化碳氣體滅火系統
              二氧化碳氣體滅火系統:二氧化碳氣體滅火系統由瓶架、滅火劑瓶組、泄漏檢測裝置、容器閥、金屬軟管、單向閥(滅火劑管)、集流管、安全泄漏裝置、選擇閥、信號反饋裝置、滅火劑輸送管、噴嘴、驅動氣體瓶組、電磁驅動 -  
 七氟丙烷滅火系統
              七氟丙烷(HFC—227ea)滅火系統是一種高效能的滅火設備,其滅火劑HFC—ea是一種無色、無味、低毒性、絕緣性好、無二次污染的氣體,對大氣臭氧層的耗損潛能值(ODP)為零,是鹵代烷1211、130 -  
 手提式干粉滅火器
              手提式干粉滅火器適滅火時,可手提或肩扛滅火器快速奔赴火場,在距燃燒處5米左右,放下滅火器。如在室外,應選擇在上風方向噴射。使用的干粉滅火器若是外掛式儲壓式的,操作者應一手緊握噴槍、另一手提起儲氣瓶上的 


