AQ 1100-2014 煤礦許用炸藥井下可燃氣安全度試驗方法和判定規則
- 發表時間:2022-09-10
 - 來源:共立消防
 - 人氣:
 
1 范圍
本標準規定了煤礦許用炸藥井下可燃氣安全度的術語和定義、符號、技術要求、試驗方法和判定規則。
本標準適用于煤礦許用炸藥。
2 規范性引用文件
下列文件對于本文件的應用是必不可少的。凡是注日期的引用文件,僅所注日期的版本適用于本文件。凡是不注日期的引用文件,其最新版本(包括所有的修改單)適用于本文件。
GB 8031 工業電雷管
3 術語和定義
下列術語和定義適用于本文件。
3.1
標準引火量 standard mean
各安全度等級引火量標準值。
3.2
定量分析法 quantitative analysis method
被測量值為一固定量時,對測量結果進行分析判斷的一種試驗方法。
3.3
過量氮 excess nitrogen
井下可燃氣中超過正常大氣氮氧比的氮氣含量。
4 符號
下列符號適用于本文件。
M:標準引火量,單位為克(g);
m:定量試驗水平, 單位為克(g)。
5 可燃氣安全度等級劃分
煤礦許用炸藥井下可燃氣安全度等級分為一、二、三級。各級標準引火量值見表1。
表1 煤礦許用炸藥井下可燃氣安全度等級和適用范圍
等級  | 一級  | 二級  | 三級  | 
標準值M,g  | 100  | 180  | 400  | 
試驗方式  | 發射臼炮  | 發射臼炮  | 發射臼炮  | 
適用范圍  | 低甲烷礦井巖石掘進工作面  | 低甲烷礦井煤層采掘工作面  | 高甲烷礦井;低甲烷礦井高甲烷采掘工作面;煤油共生礦井;煤與煤層氣突出礦井  | 
6 試驗方法
6.1 原理
在規定條件下,將固定量受試炸藥置于發射臼炮炮孔內引爆,根據試驗巷道內可燃氣混合氣體引燃結果,得出引燃頻數,以此判定炸藥的井下可燃氣安全度。
6.2 試驗設計
試驗設計方案如下:
a) 抽樣方案: 5/0,1;
b) 試驗水平:取固定試驗水平m=M;
6.3 材料
試驗用材料如下:
a) 試驗用井下可燃氣:試驗過程中,當甲烷濃度為9.0%時,其他可燃氣體含量總和應不大于0.3%,二氧化碳和過量氮含量總和應不大于1.0%。
b) 雷管:符合GB 8031規定的煤礦許用瞬發電雷管。
6.4 儀器、裝置
6.4.1 儀器
試驗用儀器如下:
a) 甲烷測定器:分度值應不大于0.1%;
b) 溫度計:分度值應不大于1℃;
c) 濕度計:分度值應不大于1%;
d) 天平:感量應不大于1g。
6.4.2 裝置
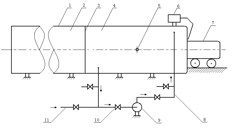
井下可燃氣安全度試驗裝置,主要由試驗巷道、氣體混合管路、混合通風機、排煙通風機及控制系統組成,見圖1。
 
1—試驗巷道
2—延長室
3—封閉裝置
4—爆炸室
5—測量孔
6—排煙風機
7—發射臼炮
8—循環管路
9—循環風機
10—閥門
11—可燃氣進氣管
圖1 井下可燃氣安全度試驗裝置示意圖
試驗用裝置如下:
a) 試驗巷道為鋼制圓筒,分爆炸室和延長室兩部分,水平放置,內徑為1.8m,爆炸室長度為5m,容積為12.8m3,爆炸室的封閉端中心有圓口,敞口端設有封閉裝置。延長室長度為15m,與爆炸室敞口端相銜接;
b) 氣體混合管路由進氣管、回氣管及閥門等組成。進氣管由靠近爆炸室封閉端上部引入,回氣管由靠近爆炸室敞口端下部引出。在進氣管路和回氣管路上應分別裝有閥門;
c) 發射臼炮為鋼制圓柱體,由內筒和外套構成。其內筒凸出,套有密封膠墊,中心軸向開有炮孔。外套材料可選用普通碳鋼,內筒材料宜使用PNi3CrMoV炮鋼,炮孔初始體積規定為(2138±10)mL。規格尺寸見圖2。
d) 混合通風機為防爆離心式,風量應不小于1330 m3/h,全壓應不小于950Pa;
e) 排煙通風機為防爆軸流式,風量應不小于9200 m3/h,全壓應不小于380Pa;
f) 控制系統包括液壓系統、電氣系統、空調系統及參數測試系統。
以上為標準部分內容,如需看標準全文,請到相關授權網站購買標準正版。
-  
 IG541混合氣體滅火系統
              IG541混合氣體滅火系統:IG-541滅火系統采用的IG-541混合氣體滅火劑是由大氣層中的氮氣(N2)、氬氣(Ar)和二氧化碳(CO2)三種氣體分別以52%、40%、8%的比例混合而成的一種滅火劑 -  
 二氧化碳氣體滅火系統
              二氧化碳氣體滅火系統:二氧化碳氣體滅火系統由瓶架、滅火劑瓶組、泄漏檢測裝置、容器閥、金屬軟管、單向閥(滅火劑管)、集流管、安全泄漏裝置、選擇閥、信號反饋裝置、滅火劑輸送管、噴嘴、驅動氣體瓶組、電磁驅動 -  
 七氟丙烷滅火系統
              七氟丙烷(HFC—227ea)滅火系統是一種高效能的滅火設備,其滅火劑HFC—ea是一種無色、無味、低毒性、絕緣性好、無二次污染的氣體,對大氣臭氧層的耗損潛能值(ODP)為零,是鹵代烷1211、130 -  
 手提式干粉滅火器
              手提式干粉滅火器適滅火時,可手提或肩扛滅火器快速奔赴火場,在距燃燒處5米左右,放下滅火器。如在室外,應選擇在上風方向噴射。使用的干粉滅火器若是外掛式儲壓式的,操作者應一手緊握噴槍、另一手提起儲氣瓶上的 


