MT/T 1106-2009 卡瓦式止漿塞
- 發表時間:2022-10-18
- 來源:共立消防
- 人氣:
1 范圍
本標準規定了卡瓦式止漿塞(以下簡稱為止漿塞)的基本參數和型號、技術要求、試驗方法、檢驗規則、標志、包裝、運輸及貯存。
本標準適用于礦山地面預注漿工程用卡瓦式止漿塞。
2 規范性引用文件
下列文件中的條款通過本標準的引用而成為本標準的條款。凡是注日期的引用文件,其隨后所有的修改單(不包括勘誤的內容)或修訂版均不適用于本標準,然而,鼓勵根據本標準達成協議的各方研究是否可使用這些文件的最新版本。凡是不注日期的引用文件,其最新版本適用于本標準。
GB/T 231.1 金屬布氏硬度試驗 第1部分:試驗方法(GB/T 231.1-2002,eqv ISO 6506-1:1999(E) )
GB/T 531 橡膠袖珍硬度計壓入硬度試驗方法(GB/T 531-1999,idt ISO 7619:1986 )
GB/T699 優質碳素結構鋼
GB/T 700 碳素結構鋼(GB/T 700-1988, neg DIN 630:1987)
GB/T 6037 硫化橡膠高溫拉伸強度和扯斷伸長率的測定
GB/T 10111 利用隨機數骰子進行隨機抽樣的方法
MT/T 521-2006 煤礦坑道鉆探用常規鉆桿
YB/T 5052 金剛石巖芯鉆探用無縫鋼管
3 基本參數和型號
3.1 止漿塞的結構型式
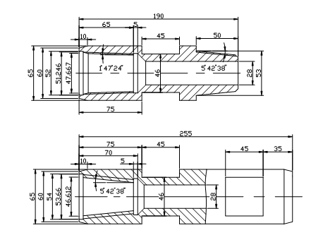
止漿塞的結構型式及主要零部件名稱,見圖1。

1-母鎖接頭;2-上芯管;3-擋盤;4-螺母;5-連接盤;6-拉桿;7-反絲公鎖接頭;8-反絲母鎖接頭;
9-限位螺母;10-卡瓦;11-軌道;12-錐體;13-下芯管;14-上托盤;15-膠筒;16-下托盤
圖1 止漿塞結構
3.2 基本參數
止漿塞基本參數見表1。
表1 止漿塞基本參數
序號 | 參數名稱 | 代號 | 單位 | 數值 | 偏差 |
1 | 膠筒外徑 | D | mm | 110 | -2,+1 |
115 | |||||
120 | |||||
125 | |||||
130 | |||||
146 | |||||
168 | |||||
180 | |||||
2 | 抗拉力 | F | kN | ≥30 | - |
3 | 密封壓力 | P | MPa | ≥25 | - |
4 | 膠筒長度 | L | mm | 700 | -2,+5 |
3.3 型號
止漿塞的型號編制方法如下:

示例:SW115—表示卡瓦式止漿塞,密封膠筒外徑為?115mm。
4 技術要求
4.1 制造要求
止漿塞應符合本標準要求,并按經規定程序批準的圖樣及技術文件制造。
4.2 材料要求
4.2.1 膠筒采用橡膠,膠筒硬度宜為Shore A(75~90),拉伸強度大于20MPa,扯斷伸長率大于300%,殘余變形小于2%。
4.2.2 用于制造止漿塞的優質碳素結構鋼、碳素結構鋼、無縫鋼管應符合GB/T700、GB/T699、YB/T 5052的規定。
4.2.3 鎖接頭及反絲鎖接頭的材料應符合YB/T 5052的規定。
4.2.4 卡瓦的表面調質硬度應為HB220~HB250。
4.3 性能要求
4.3.1 止漿塞各零件應符合圖紙要求,無破損,銹蝕。
4.3.2 止漿塞膠筒表面不得有氣泡、裂紋、孔眼、缺膠等缺陷。
4.3.3 止漿塞錐體錐度為1:16,錐面長度為320mm。
4.3.4 鎖接頭應按圖2所示尺寸制造。
4.3.5 芯官與鎖接頭的螺紋應符合MT/T 521-2006中關于整體型鉆桿螺紋的規定。
4.3.6 止漿塞應能可靠地初封和解封,初封時應能承受30kN拉力。
4.3.7 止漿塞承壓能力應能達到25MPa,各密封處不得有滲漏現象。

圖2 鎖接頭結構及尺寸圖
4.4 裝配要求
4.4.1 三塊卡瓦的大端端面應位于同一平面,公差為2mm。
4.4.2 卡瓦位于錐體最大端時,三塊卡瓦形成的外圓直徑應大于膠筒直徑(10~15)mm;卡瓦位于錐體最小端時,三塊卡瓦形成的外圓直徑應小于膠筒直徑。
4.4.3 止漿塞裝配后,錐體表面涂抹適量黃油。在垂直狀態下,卡瓦應能從錐體小端同步自由滑落至大端,無卡阻現象。
5 試驗方法
5.1 材料檢測
止漿塞所用膠筒材料及金屬材料的質量檢測按質量保證書、試驗單驗收,如需分析驗證,應按國家有關標準規定進行取樣檢測。
5.2 外形尺寸測量
采用卷尺測量膠筒長度、錐體長度;采用鋼板尺及卡鉗測量膠筒外徑、錐體大小端直徑;采用鋼板尺測量卡瓦厚度;采用游標卡尺測量拉桿直徑。
5.3 裝配質量檢測
5.3.1 立起止漿塞,向上拉動連接盤,使卡瓦沿軌道滑動至頂端,放開連接盤,卡瓦能同步自由落下,往返三次。
5.3.2 立起止漿塞,使卡瓦位于錐體最大端和最小端,分別測量三塊卡瓦形成的最大和最小外切圓直徑。
5.4 性能試驗
5.4.1 試驗條件
試驗條件如下:
a)介質:水;
b)試驗設備:專用試驗臺、試驗套筒、注漿頭、試壓泵、拉力計、壓力表和專用工具等。
其中:
試驗套筒:采用厚壁無縫鋼管,耐壓40MPa,內徑等于膠筒直徑加5mm;
注漿頭:耐壓40MPa;
試壓泵:最高工作壓力40MPa;
拉力計:量程50kN;
壓力表:量程40MPa,精度1MPa。
5.4.2 試驗裝置
試驗裝置應符合國家相關安全標準,并應符合下列要求:
a)試驗裝置原理如圖3和圖4所示;
b)注漿頭由提引器、公鎖接頭、三通和快速接頭組成。它上面通過提引器與提升裝置連接,下面通過公鎖接頭與止漿塞連接,側面通過快速接頭與試壓泵連接,提引器內有壓力軸承,用于止漿塞解封過程中注漿頭的旋轉。
以上為標準部分內容,如需看標準全文,請到相關授權網站購買標準正版。
-
IG541混合氣體滅火系統
IG541混合氣體滅火系統:IG-541滅火系統采用的IG-541混合氣體滅火劑是由大氣層中的氮氣(N2)、氬氣(Ar)和二氧化碳(CO2)三種氣體分別以52%、40%、8%的比例混合而成的一種滅火劑 -
二氧化碳氣體滅火系統
二氧化碳氣體滅火系統:二氧化碳氣體滅火系統由瓶架、滅火劑瓶組、泄漏檢測裝置、容器閥、金屬軟管、單向閥(滅火劑管)、集流管、安全泄漏裝置、選擇閥、信號反饋裝置、滅火劑輸送管、噴嘴、驅動氣體瓶組、電磁驅動 -
七氟丙烷滅火系統
七氟丙烷(HFC—227ea)滅火系統是一種高效能的滅火設備,其滅火劑HFC—ea是一種無色、無味、低毒性、絕緣性好、無二次污染的氣體,對大氣臭氧層的耗損潛能值(ODP)為零,是鹵代烷1211、130 -
手提式干粉滅火器
手提式干粉滅火器適滅火時,可手提或肩扛滅火器快速奔赴火場,在距燃燒處5米左右,放下滅火器。如在室外,應選擇在上風方向噴射。使用的干粉滅火器若是外掛式儲壓式的,操作者應一手緊握噴槍、另一手提起儲氣瓶上的


